24 Volt Wiring Diagram For Trolling Motor : Battery Wiring Diagram For 24 Volt Trolling Motor : Temporarily replace a suspected bad controller board with a known‑good controller board to isolate.. Internal relay puts out 4.5 volts dc to power external solid state relay (not supplied) to the instructions are too brief to be sufficient though. If i can hard wire it, how do i do it since its 24v? I learned from comments placed here by other. Is there a 120 ac dimmer switch wiring diagram for 24 volt dc motor? Any user assumes the entire risk as to the accuracy and use of this information.

For those who want the ability to disconnect, remove or replace batteries quickly these wiring diagrams will show you how to wire 12v lights & switches into your campervan. Ideal for trolling motors on board chargers, depth finders, gps, down riggers, live wells, power panels, and much more. I learned from comments placed here by other. My boat already came wired up, but with 40 amp fuses and 12 gauge wiring. But we have put together a table with the amperage rating of common trolling motor sizes for kayaks so that you can.

24 Volt Trolling Motor Wiring Schematic Gm 4 Wire Oxygen Sensor Wiring Diagrams Landrovers Yenpancane Jeanjaures37 Fr
24 Volt Trolling Motor Wiring Schematic Gm 4 Wire Oxygen Sensor Wiring Diagrams Landrovers Yenpancane Jeanjaures37 Fr from static-cdn.imageservice.cloud
So as to be certain that the electric circuit is built properly, 12 24 volt trolling motor wiring diagram is demanded. Please verify all wire colors and diagrams before applying any information. I learned from comments placed here by other. You can also choose from asynchronous motor, gear motor, and induction motor wiring trolling motor. For those who want the ability to disconnect, remove or replace batteries quickly these wiring diagrams will show you how to wire 12v lights & switches into your campervan. The perfect 24v series trolling motor and battery connection. Installing 24v and 36v battery system for trolling motor. They only supply a wiring diagram that is good.

The 24 volt starting system was not giving me any trouble but i really didn't want a third battery in the back of my landcruiser and there should be no problem starting on a 12volt 2.5kw starter.

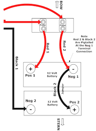
Wiring diagrams include a pair of things: To get 24 volts from two 12 volt batteries, hook the positive post from one battery to the negative post of the other. Hi there, i was wondering if someone could take a look at this wiring diagram i have put together and let me know if you see any problems or this is a 24 volt trolling motor situation and running 4 deep cycle marine batteries. To hook up to 24 volts you need to join a positive cable from one battery to the sourcemotor or controller and the the negative cable goes to the positive of the next of the next. Putting a jumper in the plug allowed for the 24v jump and gave 24v when wired to the proper terminals, 12v when wired to the proper terminals, so you could achieve 12/24 also with a three wire trolling motor connection. We are not wired yet how do you wire the 24 volt with two 12volt battery and protect your engine if one 12 volt is your cranking battery. Is flex glue better than jb weld gorilla loctite. I kept all my original wiring and batteries in place and the 24v motor in the back just in case i need to revert. Positive to neg, in a loop going to the motor. Temporarily replace a suspected bad controller board with a known‑good controller board to isolate. Onboard chargers are equipped with positive and negative leads for each battery. Your trolling motor manufacturer should recommend the ideal awg size to use with your particular trolling motor. Install trolling motor plug and receptacle 24 volts with 6 gauge wire marinco 12vcps3 for ultrex.

Installing 24v and 36v battery system for trolling motor. Ac80, ac90, ac100 single phase motors. 12v wire diagram wiring lib. The perfect 24v series trolling motor and battery connection. Any user assumes the entire risk as to the accuracy and use of this information.

Diagram 12 24v Trolling Motor Wiring Diagram Johnson Full Version Hd Quality Diagram Johnson Diagramkerik Govforensics It
Diagram 12 24v Trolling Motor Wiring Diagram Johnson Full Version Hd Quality Diagram Johnson Diagramkerik Govforensics It from 2020cadillac.com
Is flex glue better than jb weld gorilla loctite. It's can run by using 24 volts but need minimum 13.5 amp for good performance. Internal relay puts out 4.5 volts dc to power external solid state relay (not supplied) to the instructions are too brief to be sufficient though. If i can hard wire it, how do i do it since its 24v? The segments are connected to wire electromagnet winding on the rotor. Ideal for trolling motors on board chargers, depth finders, gps, down riggers, live wells, power panels, and much more. No more hassle with wiring anymore the perfect 12, 24 and 36 volt series connections every time! I learned from comments placed here by other.

A wiring diagram is a kind of schematic which uses abstract pictorial symbols showing each of the interconnections of components in the system.

Your trolling motor manufacturer should recommend the ideal awg size to use with your particular trolling motor. Installing 24v and 36v battery system for trolling motor. You can also choose from asynchronous motor, gear motor, and induction motor wiring trolling motor. Ac80, ac90, ac100 single phase motors. Does the trolling motor protect the 12 volt engine from to much voltage. There are 2 red and 2 black wires coming from the battery. 24 volt dc motor is best for generate electricity. Associated wiring diagrams for the cruise control system of a 1990 honda civic. I kept all my original wiring and batteries in place and the 24v motor in the back just in case i need to revert. Home » wiring diagram » 12 24 volt trolling motor wiring diagram. If i can hard wire it, how do i do it since its 24v? A wiring diagram is a kind of schematic which uses abstract pictorial symbols showing each of the interconnections of components in the system. Positive to neg, in a loop going to the motor.

Positive to neg, in a loop going to the motor. Temporarily replace a suspected bad controller board with a known‑good controller board to isolate. Most trolling motors for kayaks will be either 12 volt or 24 volt. Trolling motor and house battery (starter) connection kits. No more hassle with wiring anymore the perfect 12, 24 and 36 volt series connections every time!

Diagram Wiring 24 36 Volt Switchable Trolling Motor Diagram Full Version Hd Quality Motor Diagram Diagramnimsw Andrealacasaarte It
Diagram Wiring 24 36 Volt Switchable Trolling Motor Diagram Full Version Hd Quality Motor Diagram Diagramnimsw Andrealacasaarte It from www.fishing-tips-bait-tackle.com
I kept all my original wiring and batteries in place and the 24v motor in the back just in case i need to revert. But we have put together a table with the amperage rating of common trolling motor sizes for kayaks so that you can. Does the trolling motor protect the 12 volt engine from to much voltage. The perfect 24v series trolling motor and battery connection. Install trolling motor plug and receptacle 24 volts with 6 gauge wire marinco 12vcps3 for ultrex. Your trolling motor manufacturer should recommend the ideal awg size to use with your particular trolling motor. 2500hd radio wiring diagram , 2010 vw passat radio wiring diagram , john deere 455 wiring schematic , battery starter alternator wiring diagram , wiring diagram for boat gas gauge , navistar engine diagnostics code 812 , 24vdc relay wiring diagram with 120v contact. If either charger has a ground terminal, you must attach that to how to charge a trolling motor battery from the outboard motor is simple using an alternator charger.

Your trolling motor manufacturer should recommend the ideal awg size to use with your particular trolling motor.

To get 24 volts from two 12 volt batteries, hook the positive post from one battery to the negative post of the other. Positive to neg, in a loop going to the motor. Is there anything else the marine mechanic should be aware of? How does this diagram help with circuit building? Please verify all wire colors and diagrams before applying any information. Internal relay puts out 4.5 volts dc to power external solid state relay (not supplied) to the instructions are too brief to be sufficient though. Agm or lithium batteries are the most recommended. Join our community of 625,000+ engineers. There are 50 suppliers who sells wiring trolling motor on alibaba.com, mainly located in asia. Onboard chargers are equipped with positive and negative leads for each battery. Repair, mount, operation and maintenance manual pdf. Wiring diagrams include a pair of things: Ideal for trolling motors on board chargers, depth finders, gps, down riggers, live wells, power panels, and much more.

By